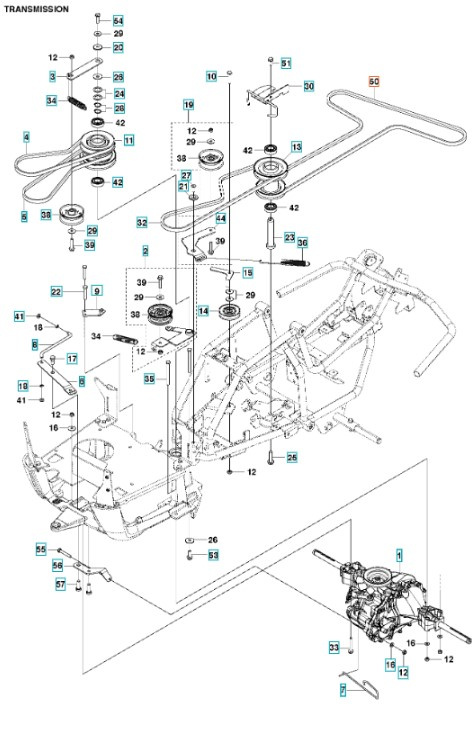
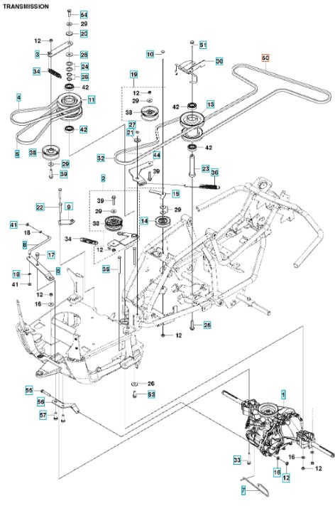
The kit includes all belts for the Husqvarna Rider 112C riding mower - the belts fit model years from 2014 to 2020. There are a total of four belts.
The kit is only suitable for model year 2014 to 2020. You can also verify that this kit fits by checking the product number, which should be 9671784-01.
The following drive belts are included in the kit:
- 5895328-01 - Number 32 in the image, installed between the engine & power take-off
- 5895314-01 - Number 50 in the image, installed between the intermediate pulley and the cutting deck
- 5895617-01 - Number 4 in the image, installed at the transmission
- 5895622-01 - Number 5 in the image, installed between the engine & gearbox

Denmark - DKK
Italy - EUR
Germany - EUR
Sweden - SEK
Spain - EUR
France - EUR
Finland - EU2
Poland - PLN






