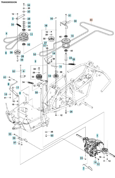
The kit includes all belts for the Husqvarna Rider 112C riding mower - the belts are suitable for models newer than 2021. There are a total of four belts.
The kit only applies to the 2021 model year or newer. You can also verify that this kit fits by checking the product number which should be 9671784-02.
The following drive belts are included in the kit:
- 5895328-01 - Number 32 in the image, installed between the engine & power take-off
- 5895314-01 - Number 50 in the image, installed between the intermediate pulley and the cutting unit
- 5895617-01 - Number 4 in the image, installed at the transmission
- 5895631-01 - Number 5 in the image, installed between the engine & gearbox

Finland - EU2
France - EUR
Denmark - DKK
Italy - EUR
Sweden - SEK
Germany - EUR
Spain - EUR
Poland - PLN






