The kit contains all the belts for the Husqvarna Rider 213C ride-on mower - this kit is applicable for all model years of the Rider 213C.
The following drive belts are included in the kit:
- 5895312-01 - Number 1 in the image, installed between the engine & gearbox
- 5996759-02 - Number 2 in the image, installed between the engine & intermediate wheel
- 5949778-01 - Number 3 in the image, installed between the intermediate belt pulleys to the cutting unit
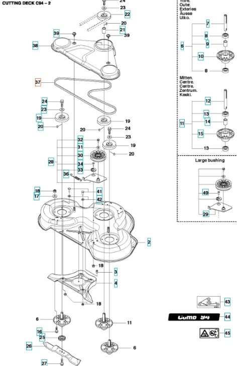
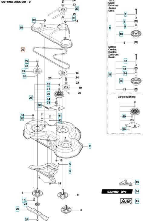
- 5895307-01 - Number 37 in the image (cutting unit - image 3), installed on the cutting unit

Italy - EUR
Germany - EUR
Sweden - SEK
Poland - PLN
France - EUR
Denmark - DKK
Finland - EU2
Spain - EUR







