Are you in the right place?
Select country
Poland - PLN
Spain - EUR
Finland - EU2
France - EUR
Denmark - DKK
Italy - EUR
Sweden - SEK
Germany - EURAustria - EUR
Belgium - EUR
Bulgaria - EUR
Cyprus - EUR
Czech Republic - EUR
Estonia - EUR
Greece - EUR
Hungary - EUR
UK - GBP
Ireland - EUR
Latvia - EUR
Lithuania - EUR
Luxembourg - EUR
Malta - EUR
Netherlands - EUR
Norway - NOK
Portugal - EUR
Romania - EUR
- Rest of World - EUR
Slovakia - EUR
Slovenia - EUR
Switzerland - EUR
- Information
-
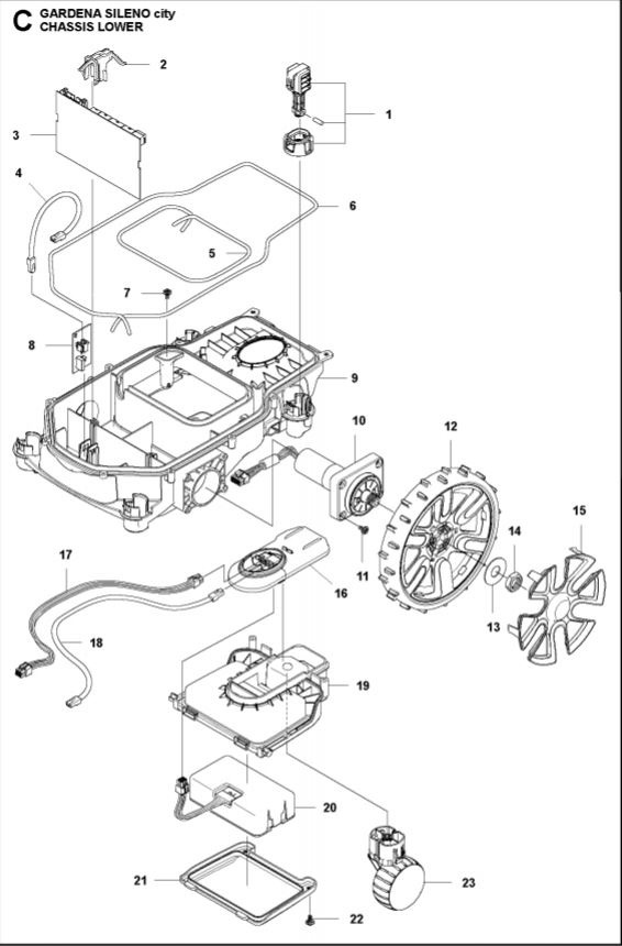
582 82 46-01 Housing
Fits to
Flymo
Easilife
Easilife 200/350/500/800
Gardena
Sileno City, 2018
Smart Sileno City
McCulloch
Rob S - Specifications
-
Manufacturer's part number: 582 82 46-01 , 582824601 - Files
Price history
Price history
Our lowest price 30 days: €27.58

Poland - PLN
Spain - EUR
Finland - EU2
France - EUR
Denmark - DKK
Italy - EUR
Sweden - SEK
Germany - EUR



